What Does the Generator Loss-of-Excitation Protection Mean? (Part 1)
Introduction to Loss-of-Excitation Protection Generator loss-of-excitation protection is a type of generator relay protection. It refers to the sudden or partial disappearance of the generator's excitation. When the generator completely loses excitation, the exciting current will gradually decay to zero. When the δ value exceeds the static stability limit angle, the generator loses synchronism with the power system. At this time, the generator protection device operates on the generator outlet circuit breaker to disconnect the generator from the power grid, preventing damage to the generator and ensuring the stable operation of the power grid. This kind of protection is called loss-of-excitation protection.

Generally, a voltage relay is used as a closing element in the rotor circuit, and the measuring impedance is set according to the critical out-of-step circle as the basis for action. The criterion of the impedance at the generator terminal is the main basis for the generator loss-of-excitation protection. When both the static stability criterion and the low rotor voltage criterion are met, it means the generator has lost excitation and stability. The generator protection equipment will quickly send out an instability signal, and the generator will be disconnected after the set delay time.
The static stability criterion can also be used alone to trip the generator. When the low rotor voltage exceeds the set protection value, the protection device will send out a loss-of-excitation signal. When it exceeds the range of the protection device, the generator protection device will immediately cut off the fault. This criterion can predict whether the generator will lose stability due to loss of excitation, so that manual measures can be taken early before the generator loses stability to prevent the accident from expanding.
✽ Schematic Diagram of the Generator Backup Protection Device - Loss-of-Excitation Protection

✽ Principle of Loss-of-Excitation Protection
The loss-of-excitation protection responds to the asynchronous operation caused by faults in the generator excitation circuit and uses the asynchronous impedance circle.
The action criterion is:

Where: U1 and I1 are the positive-sequence voltage and current respectively, UN is the rated voltage of the generator (57.7V), Ie is the secondary rated current of the generator, Xd is the per-unit value of the generator synchronous reactance, and X’d is the per-unit value of the generator transient reactance.
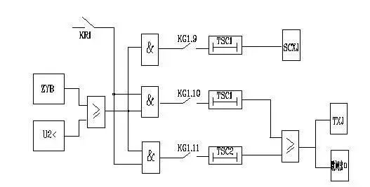
For reliability, an auxiliary criterion is added: U2 < 0.1UN, where UN is the rated voltage of the generator (57.7V).
The protection will only trip when both criteria are met. The protection is set with two time limits, which can be set separately. Generally, the first time limit is used to reduce the output power and switch to the backup excitation, and the second time limit is used to disconnect the generator and extinguish the magnetic field.

Block Diagram of the Loss-of-Excitation Protection Principle

Statement: The articles on the website are either originally created by Jlmech company (https://www.whjlmech.com) or reprinted from other self-media. When quoting or reprinting the content of this article, please indicate the source!











